2025C 2019C CAT Caterpillar ET Diagnostic Adapter III CAT Diagnostic Tool PLUS Lenovo X230 laptop (Real Caterpillar ETAdapter 3)
We will install the software before shipment, so you can get it work directly after you receive it.
Caterpillar electronic technician 2025C(replaces CAT ET 2021C, 2021B, 2021A, 2020A, 2019C, 2019B) with WinFlash future is an updated version of the caterpillar dealer diagnostic software that can help technicians to diagnose existing and potential problems with their electronically controlled Caterpillar Engines and Machines.
Pls note: 2020-2025 software version include the 10 factory password generator. when you push the ctrl+f2 shortcut button,you can open the 10 bits of password generator.
2025C Caterpillar Electronic Technician softwarer With CAT ET 3 Cat caterpillar adapter 3 support caterpillar diagnostic till 2025.



Cat et Caterpillar Electronic Technician Software:
Brand: Caterpillar
Region: worldWide
Support Multi-languages: English, Chinese, Danish, French, German, Italian, Japanese, Portuguese, Russian, Spanish
Support All cars of CAT
The list of supported CAT machines and engines can be found below:
Engines:
Electric Power
Electric Power Generation
Industrial
Marine Power Systems
Oil and Gas
Machines:
Articulated Trucks
Asphalt Pavers
Backhoe Loaders
Cold Planers
Compactors
Dozers
Drills
Excavators
Feller Bunchers
Forest Machines
Forwarders
Harvesters
Hydraulic Mining Shovels
Knuckleboom Loaders
Material Handlers
Motor Graders
Off-Highway Trucks
Pipelayers
Road Reclaimers
Site Prep Tractors
Skid Steer and Compact Track Loaders
Skidders
Telehandlers
Track Loaders
Underground - Hard Rock
Underground - Long wall
Underground - Room and Pillar
Utility Vehicles
Wheel Dozers
Wheel Excavators
Wheel Loaders
Wheel Tractor-Scrapers
Product Description
CAT Caterpillar ET Diagnostic Tool from Caterpillar provide the capability to access Electronic Control Modules (ECMs) from a personal computer. Many job-critical tasks can be performed with an electronic service tool. The user can display the status of a group of parameters (temperatures, pressures, etc.) simultaneously, view active and clear logged diagnostics, display the current configuration of an ECM and much more. The service tool works with a communication adapter to allow connection to an ECM. A graphical interface makes this software quick to learn and easy to use. A separate pull-down menu for each function enhances the "ease of use." The version and identification of the ECM is automatically retrieved and is displayed on a summary screen when the program is started. Diagnostic tests and calibrations can also be performed.
CAT Caterpillar ET Diagnostic Tool enable service technicians to reprogram ECMs, reconfigure control system parameters, fine tune performance or diagnose the root cause of a failure the first time. These powerful tools allow service personnel to display and analyze vital performance and health information from any system quickly and accurately. The service tool communicates with any system using ATA (J1708), J1939 or the Caterpillar proprietary data link networks. The service tools provide information and features needed to help a technician diagnose problems and perform repairs and to customize and personalize the operation of a product. By allowing customers to design flexibility and configurability into a product, Caterpillar service tools stretch beyond the capabilities of preprogrammed ECMs or onboard display systems.
Features
Display, graph and log status parameters.
Retrieve prognostic data including histograms, engine totals for fuel used and miles traveled.
View active diagnostics and clear logged diagnostics. View events where irregularities have occurred and have been logged by the ECM.
Perform calibrations to enhance performance of the ECM.
Customize the ECM with application-specific settings.
Over 100 custom Diagnostic, Information and Service features including:
- 2D and 3D Histogram plotting capability (engine software support required).
- Custom Status screen groups
- Snapshots (Download and display snapshot data recorded by the ECM)
- Configuration Aid that allows upload/download of same
configuration to multiple control modules
Customized Service Tool Options
Customized service tool name
Customized graphics for the splash screen and icons
Customized installation
Aftermarket differentiation, i.e., the tool for one customer does not work on the product of another customer.
Licensing options for customer management
Flash programming of the ECM(s)
Training demonstration allows familiarity with the tool's primary functions without connecting to ECM(s)
Perform customized diagnostic tests to identify harness problems, cylinder or component failures (Automatic Cylinder Cutout with cylinder to cylinder fueling comparison)
Caterpillar ET Software Function:
This diagnostic app allows you to:
View active and logged diagnostics.
View events where irregularities occurred and were logged by the ECM.
View the status of a group of parameters (temperatures, pressures, etc.) simultaneously.
Record and log performance data.
Graph a group of status parameters.
View the current configuration of an ECM.
Change ECM configurations.
Perform diagnostic tests.
Perform calibrations.
Print reports and diagnostic results.
Package:
1.Used Lenovo X230 laptop
2.Real CAT et3 Communicate Adapter III(it's best quality cat et 3,not adapter 2,please check Communication port)
3.USB Cable (From device to your computer)
4.J1939/J1708 9PIN Cable (from device to your truck)
5.6PIN Cable (for old truck)
6.14PIN Cable(for new truck)
7.Plastic box
Second Hand Laptop Lenovo X230 Specification:
Brand:Lenovo
Condition:Used
Type:Laptop/Notebook
Screen Size:12.5
Processor Type:Intel (R) Core(TM) I5-3320M CPU
Memory:8GB
Processor Speed:2.6GHz
Original Factory Caterpillar ET3 Adapter III Compare With OEM Caterpillar ET Diagnostic Adapter III
1. Original Factory CAT ET can use once pluged, no need install the USB drive, the software can automatic realize it for ET3 Adapter, and the machine can automatic weld the high quality Circuit board, quality will be more reliable.
2. The OEM Caterpillar ET Diagnostic Adapter III need use USB Drive to install, and need choose the COM Port, and in the software ET also need choose ET2 then can be used.
The Details as follows:
What’s New -2025B
Trainer Update – 140-16 Motor Grader
The 140-16 Motor Grader has been added to the Trainer application.
Trainer Update – 627 Wheel Tractor-Scraper
The 627 Tractor-Scraper has been added to the Trainer application.
What’s New -2025A
No significant new features or feature enhancements
What’s New – 2025
Automatic Product Status Report (PSR) Upload
The service tool includes a new tool that automatically uploads Product Status Reports. The tool scans for newly generated Product Status Reports and uploads them when an internet connection is available. The default is that automatic report uploading is enabled. The Preferences dialog has an option to disable the tool.
What’s New – 2025
ECM Naming Changes
Certain ECMs connect to the service tool over two data links at the same time. The service tool shows a message popup when the ECM is only detected on one link. The service tool has been changed to add the text **INCOMPLETE** in the ECM name when the connection is incomplete. Service tool features that display a connection icon also use a new icon for an incomplete connection.
What’s New – 2025
No significant new features or feature enhancements
What’s New – 2025
CEOS Fleet Configuration File TOP
A CEOS (Customer Electronic Option Selection) Fleet Configuration File can be created/modified for an engine using the Service Tool. This is available in connected and disconnected mode.
Error When Launching Service Tool
There is a Microsoft issue with upgrading libraries during an installation involving certain versions of the C++ redistributable. After a successful service tool installation, when trying to run the service tool for the first time, one of the following errors may occasionally appear: “The entry point could not be located in api-ms-win-crt-runtime” or “The program can’t start because mfc140u.dll is missing from your computer.” If either of these messages is displayed, please let us know and we will send you to step by step troubleshooting guide. This procedure requires administrator rights.
Service Tool License Corruption Issues with Windows 10 Updates
Windows 10 updates 1709 and 1803 will corrupt service tool licenses. Future Window 10 updates may do the same
If either of license error messages is displayed, please let us know and we will send you to step by step troubleshooting guide.
What’s New – 2025
Trainer Update – 988K XE Wheel Loader
The 988K XE Wheel Loader has been added to the Trainer application.
What’s New – 2025
Preferences Option to Save a Product Status Report to PDF
The Preferences dialog for the Product Status Report has changed. The dialog contains a new checkbox to automatically save a Product Status Report as a PDF file when the report is created. The service tool will continue to automatically save Product Status Reports as an XML file.
What’s New – 2025
Product Status Report Updates
The Product Status Report has been updated to include certain history features supported by the ECM, such as the after-treatment Regeneration History and the Service Test History.
Winflash Screen Update
The screen for the Winflash feature has been updated A new Expand All button opens all sections of the screen to show all details for ECMs detected by WinFlash.A new Collapse All button hides all sections of the screen, except for header rows showing detected ECM names.
Caterpillar SIS 2023 CAT SIS 2023 Service Information System




Type of catalogue:repair manual, spare parts catalog
Make:caterpillar
Region:WorldWide Inclusive
Languages:English, Spanish, Italian, Chinese, Mexican, German, French
Amount of disks: 300 GB
Description:
Caterpillar SIS (CAT SIS) 2023 is illustrated as a guide to the maintenance and repair of the full range of cat vehicles, contains guidance on repair equipment and machinery caterpillar, program help diagnose production caterpillar, operating instructions spare parts and equipment caterpillar.
Repair manual caterpillar SIS 2023 is intended for engineers and will be useful to all interested in the given direction.
E-program caterpillar SIS 2023 allows the owner of specialized equipment to quickly and easily find the required information about the machine because it contains a search function references; helps professionals to calibrate equipment caterpillar, diagnose it and troubleshoot equipment to solve any problems.
We're getting a lot of questions about how to work with the CAT SIS
It's simple and convenient for use. All you need to know is your model name, or serial number, or prefix. Also, you can use the Parts search function.
Caterpillar Service Information System is a completely offline product, no matter it works using Internet Explorer Browser (You connected to the local web server, which is being installed on your own PC/Laptop). The technical database for all cat machinery stored on 26 DVD-DL discs or (iso images or these DVDs).
2023 CAT SIS EPC Functions:
Parts catalogs
Maintenance and repair manuals
Guidance on repair equipment
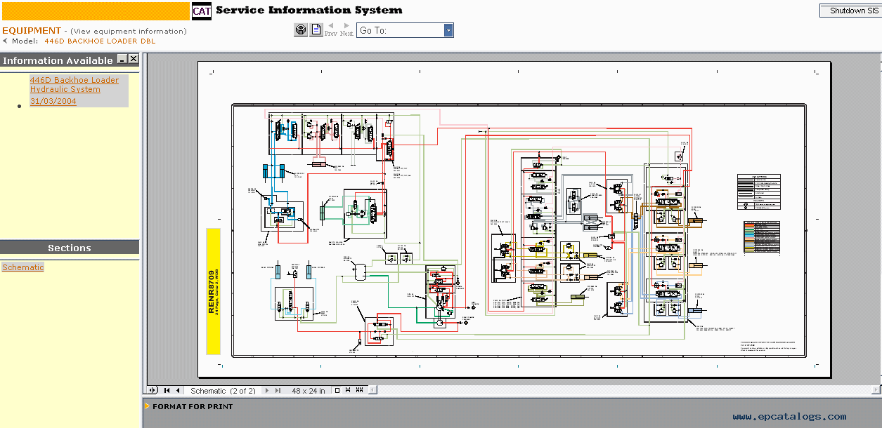
Wiring and hydraulic diagrams
program help diagnose production caterpillar
operating instructions spare parts and equipment caterpillar
Calibration data, etc
2023 CAT SIS EPC Information Types/Titles
>Contamination Control Guidelines
>Disassembly and Assembly
>General Service Information
>Operation and Maintenance ManualParts Identification
Schematic
>Service Letter
>Special Instruction
>Specifications
>Systems Operation
>Testing and Adjusting
>Tool Operating Manual
>Torque Specifications
>Troubleshooting
>Truck Engine News
Sections
IMDEX
MAINTENANCE PARTS LIST
MACHINE ARRANGEMENT
ENGINE_ARRANGEMENT
BASIC ENGINE
LUBRICATION SYSTEM
COOLING SYSTEM
AIR_INLET AND EXHAUST SYSTEM
FUEL SYSTEM
ELECTRICAL AND STARTING SYSTEM
POWER TRAIN
FRAME_AND BODY
BRAKING SYSTEM
STEERING SYSTEM
HYDRAULIC SYSTEM
OPERATOR_STATION
SFRUICE EQUIPMENT AND SUPPLIES